熱門搜索: 伺服超聲波焊接機 超聲波塑料焊接機 超聲波焊接自動化配套 手持式超聲波切割機 招商加盟
咨詢熱線
13612231694
大型智能機器人
簡介:大型萬能智能機器人,常應用在點焊、搬運、組裝等各種應用領域;
特點:作業范圍大,干涉范圍小,運動性能好;預留氣管、電氣等接口,輕松連接集成設備;手腕高負載、高扭矩、高慣量設計;智能化管理系統和力覺傳感器配套,可鏈接多臺機器人協調作業;
13612231694
01作業范圍大,干涉范圍小,運動性能好
02預留氣管、電氣等接口,輕松連接集成設備
03機械臂高速運動不晃動,作業平滑流暢
04手腕高負載、高扭矩、高慣量設計
05手臂能實現高速運動,快速定位,提升生產效率
06智能化管理系統和力覺傳感器配套,可鏈接多臺機器人協調作業
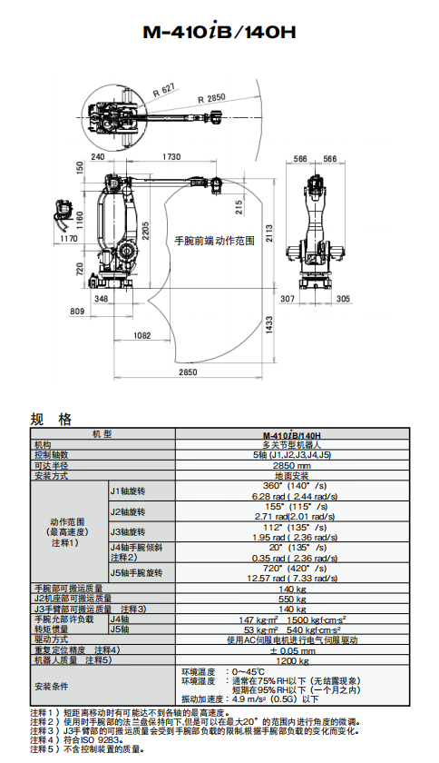
負載:140.0 kg
控制軸數:5
可達半徑:2850mm
負載:700.0 kg
控制軸數:4
可達半徑:3143mm
負載:110.0 kg
控制軸數:4
可達半徑:2403mm
.
負載:185.0 kg
控制軸數:4
可達半徑:3140mm
負載:315.0 kg
控制軸數:4
可達半徑:3143mm
負載:500.0 kg
控制軸數:4
可達半徑:3143mm
.
負載:200.0 kg
控制軸數:6
可達半徑:2208mm
負載:100.0 kg
控制軸數:6
可達半徑:3540mm
負載:125.0 kg
控制軸數:6
可達半徑:3100mm
.
負載:165.0 kg
控制軸數:6
可達半徑:3095mm
負載:165.0 kg
控制軸數:6
可達半徑:2655mm
負載:210.0 kg
控制軸數:6
可達半徑:3095mm
.
負載:210.0 kg
控制軸數:6
可達半徑:2655mm
負載:210.0 kg
控制軸數:6
可達半徑:3100mm
負載:220.0 kg
控制軸數:6
可達半徑:2518mm
.
負載:270.0 kg
控制軸數:6
可達半徑:3095mm
負載:270.0 kg
控制軸數:6
可達半徑:2655mm
負載:165.0 kg
控制軸數:6
可達半徑:2605mm
.
負載:210.0 kg
控制軸數:6
可達半徑:2605mm
負載:150.0 kg
控制軸數:6
可達半徑:3507mm
負載:200.0 kg
控制軸數:6
可達半徑:3507mm
.
負載:280.0 kg
控制軸數:6
可達半徑:2655mm
負載:280.0 kg
控制軸數:6
可達半徑:3103mm
負載:360.0 kg
控制軸數:6
可達半徑:2655mm
.
負載:360.0 kg
控制軸數:6
可達半徑:2655mm
負載:400.0 kg
控制軸數:6
可達半徑:3704mm
負載:700.0 kg
控制軸數:6
可達半徑:2832mm
.
負載:1000.0 kg
控制軸數:6
可達半徑:3253mm
負載:900.0 kg
控制軸數:6
可達半徑:4683mm
負載:1200.0 kg
控制軸數:6
可達半徑:3734mm
微信咨詢
聯系電話